Главная - > Продукция -> Аналитическая лаборатория -> Хроматография -> Блоттинг -> Мембраны

Подписаться на рассылку
Компания СИМАС
Москва, Варшавское шоссе
д.125 стр.1
+7 (495) 980 - 29 - 37,
+7 (916) 942 - 65 - 95
info@simas.ru


Мембраны

Мембраны для блоттинга
Мембраны для блоттинга
Производитель: MUNKTELL
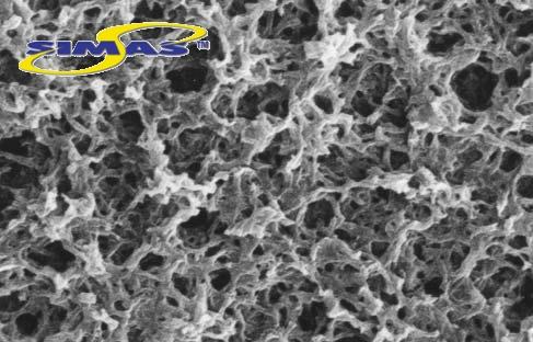
Описание: Нитроцеллюлозные мембраны - наиболее часто используемые в мире для Саузерн, Нозерн и Вестерн блоттинга.
Мембраны с размером пор 0.22 и 0.45 мкм хорошо подходят для всех систем блоттинга белков и нуклеиновых кислот: электроблоттинга, полусухого блоттинга и капиллярного блоттинга. Они позволяют сократить требуемый размер геля. Под воздействием электрического поля или при капиллярном движении, белки перемещаются из геля на мембрану, которая немедленно связывает их.

Этап: Исследование
Код Материал Размер пор, мм Размер Упаковка Кол-во
20.9B100 Нитроцеллюлоза 0.45 300 мм х 3 м 1 рулон
20.9B101 Нитроцеллюлоза 0.22 300 мм х 3 м 1 рулон


Нитроцеллюлозные мембраны Protran ®
Нитроцеллюлозные мембраны Protran ®
Производитель: WHATMAN
Описание: Нитроцеллюлозные мембраны Protran - наиболее часто используемые среды для переноса во всем мире. Они производятся из 100% чистого нитрата целлюлозы, обладают высокой связывающей способностью.
Другие так называемые «нитроцеллюлозные» мембраны могут фактически содержать высокое количество ацетата целлюлозы. Которая может снизить связывающую способность белков. Белковые мембраны имеют самую лучшую пропускную способность из среды всех чистых нитроцеллюлозных мембран. Они совместимы с различными методами определения включая изотопные, хемилюминесцентные (на основе люминола) колориметрический и флуоресцентные методы.
В отличие от поливинилиденфторид мембран, нитроцеллюлозные Protran не требуют предварительного увлажнения метанолом. Это делает Protran, мембраной для белков которые предпочитают водное окружение. Перед переносом мембраны просто увлажняются в воде и затем размещаются в буферный раствор для переноса.
Высокая связывающая способность, низкий фон В дополнение к высоким связывающим способностям, нитроцеллюлозные мембраны Protran в действительности имеют очень низкий фон. Поверхностные свойства мембран гарантируют высший уровень соотношения сигнал-шум без необходимости жестких условий промывки.

Высокая удерживающая способность маленьких белков
Нитроцеллюлозные мембраны Protran с размером пор 0.2 μм (BA83) имеют высокопористую поверхность, которая обеспечивает связывание маленьких белков снижением «продувки» ниже 20 kD. Мембраны с размером пор 0.45 μм (BA85) идеально подходит для молекул с большим весом. Мембрана BA79, с размером пор 0.1 μм, хорошо подходят для меньших белков ниже 7 kD.
Уникальным свойством формулы нитроцеллюлозных мембран Protran является доказанный срок хранения связанных белков. На Protran эмпирически доказано, что белки создают условия для распознавания молекул в течение пяти лет.


Protran BA85 Сэндвич для блоттинга
Предварительно нарезанные мембраны NC и 2 листа фильтровальной бумаги предварительно упаковываются в сэндвич для экономии времени. Это сделано с нашими Protran BA85, мембрана высокого качества NC доступны для блоттинга.
Для заказа мембран NC из Канады. Пожалуйста. Добавьте C к концу номера в каталоге, т.е. 20.9В095С   (10 485 376C) 

Этап: Пробоподготовка
Код Размер пор (мкм) Размеры Шт/уп Кол-во
сандвич для блоттинга Protran BA83
20.9B095 0.2 7 x 8.5 см 20
10 485 377 0.2 8.5 x 13.5 см 20
сандвич для блоттинга Protran BA85
20.9B096 0.45 7.3 x 8.5 см 20
20.9B094 0.45 8.5 x 13.5 см 20
20.9B093 0.45 7 x 8.5 см 20
нитроцеллюлозные мембраны Protran
Кольца Protran – BA83
20.9B011 0.2 82 мм 50
20.9B021 0,2 132 мм 50
Кольца Protran – BA85
20.9B029 0,45 25 мм 100
20.9B032 0,45 25 мм 1000
20.9B001 0,45 82 мм 50
20.9B033 0.45 82.5 мм 50
20.9B004 0,45 87 мм 50
20.9B002 0,45 132 мм 25
20.9B030 0,45 132 мм 50
20.9B003 0,45 137 мм 25
20.9B031 0,45 137 мм 50
20.9B041 0.45 (5 мм с сеткой) 82 мм 50
Листы Protran – BA79
20.9B017 0,1 10.2 x 13.3 cм 10
20.9B016 0,1 20 x 20 cм 5
20.9B018 0,1 20 x 20 cм 25
20.9B087 0,1 33 x 56 cм 5
Листы Protran – BA83
20.9B026 0,2 10.2 x 13.3 cм 10
20.9B027 0,2 6.3 x 22.8 cм 10
20.9B020 0,2 15 x 15 cм 5
20.9B015 0,2 15 x 20 cм 10
20.9B022 0.2 20 x 20 cм 5
20.9B013 0.2 20 x 20 cм 25
20.9B023 0.2 25 x 25 cм 5
20.9B012 0.2 30 x 60 cм 5
20.9B025 0.2 33 x 56 cм 5
Листы Protran – BA85
20.9B035 0,45 10.2 x 13.3 cм 10
20.9B036 0,45 6.3 x 22.8 cм2 10
20.9B038 0,45 15 x 15 cм 5
20.9B010 0,45 15 x 15 cм 25
20.9B039 0,45 20 x 20 cм 5
20.9B006 0,45 20 x 20 cм 25
20.9B040 0,45 25 x 25 cм 5
20.9B005 0,45 30 x 60 cм 5
20.9B034 0,45 33 x 56 cм 5
20.9B009 0,45 82 x 120 cм 10
Рулоны Protran – BA79
20.9B019 0,1 30 cм x 3 м 1
Рулоны Protran – BA83
20.9B024 0,2 15 cм x 3м 1
20.9B028 0,2 20 cм x 3 m 1
20.9B014 0,2 30 cм x 3 м 1
Рулоны Protran – BA85
20.9B037 0,45 15 cм x 3м 1
20.9B008 0,45 20 cм x 3 m 100
20.9B007 0,45 30 cм x 3 м 1


Нитроцеллюлозные мембраны Optitran
Нитроцеллюлозные мембраны Optitran
Производитель: WHATMAN
Описание: Optitran содержит 100% чистые нитроцеллюлозные отливки по обеим сторонам из инертного материала из полиэстеровой подложки. Подложка не влияет на условия переноса и придает мембране необычные характеристики управляемости, позволяющие ей повторное исследование.

Нитроцеллюлозные мембраны Optitran придают высокую чувствительность с очень низкими не специфическими связями. Используя стандартные нитроцеллюлозные протокола, нет необходимости в использовании жестких промывочных и блокирующих свойства.
Комбинация гибкости, прочности и исключительное соотношение сигнал-шум делает мембраны Optitran идеальными, особенно когда в эксперименты вовлечены повторяемое вымывание и исследование.

Optitran с подложкой нитроцеллюлозных мембран комбинирует в себе чувствительность, прочность и экономию.

Этап: Пробоподготовка
Код Размер пор, мкм Размеры Шт/уп Кол-во
Кольца
Optitran – BA-S 83
20.9B078 0.2 82 мм 50
Optitran – BA-S 85
20.9B068 0.45 82 мм 50
20.9B069 0.45 132 мм 50
Листы
Optitran – BA-S 83
20.9B083 0,2 10.2 x 13.3 cм 10
20.9B079 0,2 15 x 15 cм 5
20.9B080 0,2 20 x 20 cм 5
20.9B084 0,2 20 x 20 25
20.9B081 0,2 25 x 25 cм 5
20.9B082 0,2 30 x 60 cм 5
Optitran – BA-S 85
20.9B071 0,45 10.2 x 13.3 cм 10
20.9B075 0,45 15 x 15 cм 5
20.9B077 0,45 20 x 20 cм 5
20.9B072 0,45 20 x 20 cм 25
20.9B076 0,45 25 x 25 cм 5
20.9B070 0,45 30 x 60 cм 5
Рулоны
Optitran – BA-S 83
20.9B085 0,2 20 cм x 3 m 1
20.9B086 0,2 30 cм x 3 м 1
Optitran – BA-S 85
20.9B073 0,45 20 cм x 3 m 1
20.9B074 0,45 30 cм x 3 м 1


ПВДФ Мембраны Westran
ПВДФ Мембраны Westran
Производитель: WHATMAN
Описание: ПВДФ Мембраны Уатман Westran предлагаются в двух форматах: Westran S используется для секвенирования белков и Westran Clear Signal используемого для вестерн блоттинга.

Westran S

Westran S ПВДФ с размером пор 0.2 μм гидрофобная мембрана, разработанная специально для секвенирования белков. Маленький размер пор этой мембраны исключают ‘продувку’ и повышают связывания белков со многим рядами молекул.

Свойства и преимущества
• Связывающая способность белков (выше 200 μг/см2) для легкого обнаружения сигнала
• Химическая устойчивость необходимая для секвенирования N-терминала
• высокая способность удерживания белка, даже после жесткой промывки
• Максимальный захват белков во время переноса при минимуме потери проб.
• размер пор 0.2 μм высокопористой поверхности, которая в результате дает лучшее связывание белков с низким весом молекул
• Совместими с использованием вестерн блоттинга
• Предлагается в популярном предварительно нарезанном размере

Westran Clear Signal
Westran Clear Signal ПВДФ – мембрана 0.45 μм. Специально разработана для вестерн блоттинга и для использования дот-блоттинга белков.

Свойства и преимущества
• Связывающая способность белка выше 125 μг/cм2
• Исключительно низкий фон с хемилюминесцентного и колориметрического применения, который обеспечит вам чистый сигнал и четкую полосу.
• Исключительные результаты с общим белковым красителями, такими как Coomassie® бриллиантовый крезиловый голубой, амидный черный и пунцовый красный
• Повышенная прочность позволяет многократную очистку и повторное исследование.

Этап: Пробоподготовка
Код Размер пор, мкм Размеры Шт/уп Кол-во
Westran S
10 485 378 0,2 7 x 8.5 см 20
10 485 379 0,2 8.5 x 13.5 см 20
Westran Clear Signal
10 485 380 0,45 7 x 8.5 20
Листы
Westran S
20.9B042 0,2 10 x 10 см 10
20.9B091 0,2 15 x 15 cм 10
20.9B092 0,2 20 x 20 cм 10
Чистый сигнал Westran
20.9B088 0,45 15 x 15 cм 10
20.9B089 0,45 20 x 20 cм 10
Рулоны
Westran S
20.9B043 0,2 26 см x 3 m 1
Чистый сигнал Westranl
20.9B090 0,45 30 cм x 3 м 1


Нейлоновые мембраны Nytran
Нейлоновые мембраны Nytran
Производитель: WHATMAN
Описание: Nytran Nylon
Нейлоновые мембраны Уатман Nytran идеально подходит для применения, где требуется низкий заряд. Мембрана разработана для саузерн и норверн блоттинга, также и для колоний и Дот-/слот-блотов. Nytran N совместим с изотопными и неизотопными методами определения.

Мембраны Nytran N дают исключительное соотношение сигнал-шум. Мембраны с обеих сторон залиты подпорной матрицей, демонстрирующей великолепную симметрию. Это дает мембране способность находиться в плоском состоянии без скручивания. Мембраны Nytran N высоко плотные мембраны с однородными размерами и распределением пор. Предлагаются с размерами пор в 0.2 μм и 0.45 μм для оптимального удержания олигов и больших фрагментов ДНК.


Этап: Пробоподготовка
Код Размер пор, мкм Размеры Шт/уп Кол-во
Кольца
10 416 116 0,45 82 мм 50
20.9B049 0,45 137 мм 50
Листы
20.9B045 0,2 20 x 20 cм 10
20.9B044 0,2 30 x 60 cм 5
20.9B052 0,45 20 x 20 cм 10
20.9B048 0,45 11 x 14 см 10
20.9B050 0,45 25 x 25 cм 10
20.9B051 0,45 30 x 60 cм 5
Рулоны
20.9B046 0,2 20 см x 3 m 1
20.9B047 0,2 30 cм x 3 м 1
20.9B053 0,45 20 cм x 3 m 1
20.9B054 0,45 30 cм x 3 м 1


Мембраны Nytran SuPerCharge (SPC)
Мембраны Nytran SuPerCharge (SPC)
Производитель: WHATMAN
Описание: Нейлоновые мембраны Nytran SPC имеют очень высокий положительный заряд, в результате усовершенствования в процессе производства мембраны стали иметь высокую плотность нейлона на единицу площади. Повышенная зарядность и большая плотность нейлона обеспечивают центр связывания для ваших проб.

Мембраны Nytran SPC имеют равномерные размеры пор и распределение по мембране по сравнению с обычными нейлоновыми мембранами. Они не имеют микропор, которых имеют другие мембраны. Эти характеристики приводят к большей повторяемости результатов по всей мембране.

Мембраны Nytran SPC дают исключительное соотношение сигнал-шум. Мембраны с обеих сторон залиты подпорной матрицей, демонстрирующей великолепную симметрию. Это дает мембране способность находиться в плоском состоянии без скручивания.
При обычной технологии производства увеличение позитивного заряда ведет к увеличению фона. Мембраны Nytran SPC произведены с использованием процесса, который позволяет комбинировать высокий положительный заряд с низким фоном. Используете ли вы радиоактивный или не радиоактивный детектор, Nytran SPC постоянно дает высокий сигнал с исключительно низким фоном.

Этап: Пробоподготовка
Код Размер пор, мкм Размеры Шт/уп Кол-во
Фильровальные круги
20.9B055 0,45 82 мм 50
20.9B056 0,45 132 мм 50
Листы
20.9B064 0,45 10 x 15 см 10
20.9B063 0,45 15 x 20 cм 10
10 416 285 0,45 20 x 20 cм 10
20.9B057 0,45 11 x 14 см 10
20.9B061 0,45 15 x 15 cм 10
20.9B059 0,45 25 x 25 cм 10
20.9B060 0,45 30 x 60 cм 5
20.9B065 0,45 22.2 x 22.2 см 48
Рулоны
20.9B066 0,45 30 cм x 3 м 1
20.9B067 0,45 30 cм x 3 м 1
Формат планшеты
20.9B058 0,45 82 x 120 мм черная сетч. 10





Поиск по каталогу
Название
Компания-производитель:
Этап:
Код товара:


Посмотреть каталоги партнеров в формате PDF: